Затворы поворотные химические ЗПХ
Затворы поворотные химические ЗПХ
Цена: от руб.
Наличие: в наличии
Купить
[486] Затворы поворотные химические ЗПХ
Купить в 1 клик Задать вопрос
Рассказать друзьям:
Назначение

Регулирование и полное перекрытие потока химически активных жидкостей (кислот, щелочей, органических растворителей, нефтепродуктов) и других сред (в зависимости от материала проточной части), имеющих твердые включения до 2,0 мм, объемная концентрация которых не превышает 0,5%.

Область применения

Химическая, металлургическая, пищевая, фармацевтическая, нефтеперерабатывающая промышленность и энергетика.

Вид привода

DN40-150 – рукоятка;

DN200-1200 – ручной редуктор;

Затворы могут комплектоваться пневматическим или электрическим приводом.



Общие характеристики

Диаметр условного прохода: от 40 до 700 мм;

Номинальное давление: 1,0 и 1,6 Мпа;

Температурный режим: от -50°С до 200°С;

Класс герметичности - «А» по ГОСТ 9544-2015.



Материалы

Корпус – углеродистая сталь ст.25Л, нержавеющая сталь ст.08Х18Н10 с покрытием;

Диск – нержавеющая сталь с покрытием (PTFE/FEP/PFA), нержавеющая сталь (ст.08X18Н10);

Материал покрытия проточной части – фторопласт (PTFE);

Толщина футеровки - от 3 до 6 мм (в зависимости от диаметра).



Тип управления

Рукоять;

Ручной редуктор;

Пневматический привод;

Электрический привод.



Дополнительно

Корпус может быть покрыт антикоррозионным фторопластовым лаком, для дополнительной защиты корпуса от внешней агрессивной среды.

Ответные фланцы, крепеж и прокладки.



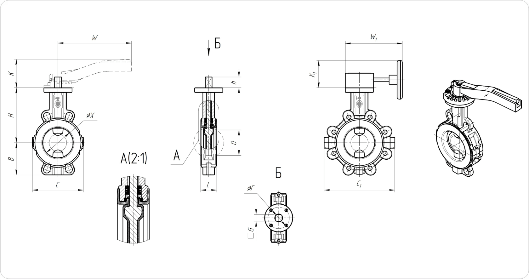
Общий вид затвора

Спецификация материалов

Поз

Наименование

Материал

Исполнение корпуса 1

Исполнение корпуса 2

1,2

Корпус

Ст.25Л

Ст.08X18H10

3

Диск, шток с покрытием

Ст.08X18H10

Ст.08X18H10

4

Манжета

Фторпласт PTFE

5

Уплотнительная прокладка

Силиконовый каучук

6

Пружины тарельчатые

Сталь 60г

7

Уплотнительные кольца

Ст.20×13

Ст.08X18H10

8

Фторкаучуковые кольца

Фторкаучук (FKM)

9

Подшипник скольжения

Ст.08X18H10

10

Винты

Ст.20

Ст.08X18H10

Материал покрытия диска

DN350-DN700 фторпласт (FEP/PFA)

DN40-DN300 фторпласт (PTFE)

Пропускная способность

DN, мм

Пропускная способность Kvs (м3/ч), в зависимости от угла открытия

30о

60о

90о

40

12

50

135

50

12

50

135

65

16

70

190

80

20

118

250

100

32

210

780

125

60

370

1250

150

105

380

2200

200

297

695

2700

250

430

1250

5400

300

557

1560

9400



Значения Кvs для DN свыше 300 мм предоставляются по запросу

Условное обозначение


1

Тип

ЗПХ

Затвор поворотный химический

2

Диаметр условный

ХХХ

40 — 700 мм

3

Давление условное

10

1,0 МПа

16

1,6 МПа

4

Материал корпуса

1

Ст.25Л

2

Ст.08X18H10

5

Материал манжеты и футеровки

0

Манжета — фторопласт (PTFE) | Диск — Ст.08X18H10

1*

Манжета — фторопласт (PTFE) | Диск — фторопласт (PTFE)

2**

Манжета — фторопласт (PTFE) | Диск — фторопласт (FEP/PFA)

* — данное исполнение для DN40 — DN300 мм

** — данное исполнение для DN350 — DN700 мм

В нашем каталоге вы можете купить или заказать Затворы поворотные химические ЗПХ на выгодных условиях с доставкой.


В нашем каталоге вы можете купить или заказать Затворы поворотные химические ЗПХ на выгодных условиях с доставкой.



DN

Размер, мм

ISO 5211

m (кг)

Nm

X

L

B

H

O

C

C1

W

W1

K

K1

G

h

40

40

33

55

109

24

91

146

200

160

76

95

11

15

F05

2.9

35

50

50

43

65

135

27

102

159

200

160

76

95

11

15

F05

3.5

40

65

65

46

74

149

47

118

204

200

160

76

95

11

15

F05

3.9

48

80

79

46

84

156

65

135

226

200

160

76

95

11

15

F05

4.5

56

100

99

52

100

179

84

158

260

260

160

85

127

14

16

F07

6.8

82

125

121

56

116

194

107

184

289

350

160

102

127

17

19

F07

8.4

120

150

147

56

132

209

136

214

315

350

160

102

127

17

19

F07

10.8

170

200

195

60

164

238

186

270

381

215

153

22

24

F10

19.7

300

250

246

68

195

274

236

330

456

225

185

22

24

F10

29

390

300

293

78

222

300

282

384

528

325

248

27

29

F12

46

590

350

344

78

258

325

334

448

570

325

248

27

29

F12

68

810

400

392

102

294

395

379

510

652

230

217

36

38

F14

89

1260

450

446

114

314

400

431

602

672

230

217

36

38

F14

103

1470

500

489

127

351

444

472

657

721

335

285

36

38

F16

138

1800

600

588

154

410

510

567

766

852

335

285

46

48

F16

185

3000

700

700

165

454

553

679

906

992

385

310

55

57

F25

237

3400


В интернет-магазине Мак Техно мы предлагаем удобные варианты оплаты и доставки товаров. Вы можете оплатить Затворы поворотные химические ЗПХ безналичным способом, что обеспечивает максимальную безопасность и удобство при транзакциях.

Для удобства клиентов доступен самовывоз по адресу: г. Москва, ул. 2-я Кабельная, д. 2, стр. 9, оф. 415. Мы рады приветствовать вас в нашем офисе для получения заказанных товаров.

Кроме того, мы осуществляем доставку Затворы поворотные химические ЗПХ по Москве и регионам через транспортную компанию «Деловые Линии», с включенной доставкой до терминала. Мы стремимся обеспечить быстрые и надежные доставки, чтобы вы могли в кратчайшие сроки воспользоваться нашей продукцией.

Похожие товары
Возможно вас заинтересует